Фотоэлектрический датчик Akusense PTJ-T80PO-I
Модель Akusense PTJ-T80PO-I – это специализированный фотоэлектрический однолучевой барьер, предназначенный для надежного контроля прохождения объектов на расстоянии до 1,5 метра. Благодаря своей точной и линейной оптической оси, он отлично подходит для приложений, где необходимо контролировать целостность упаковки, подсчет изделий или проверку пересечения заданной границы. В отличие от диффузных датчиков, PTJ-T80PO-I работает по принципу прерывания луча между передатчиком и приемником, что обеспечивает высокую устойчивость к фоновому отражению.
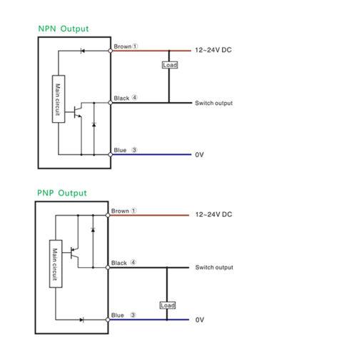
Особенности конструкции и подключения
Компактный корпус (22×11×10 мм), кабельное подключение и яркие LED-индикаторы (питание – желтый, выход – красный) делают его удобным для установки и диагностики. Датчик использует инфракрасный ИК-светодиод с длиной волны 940 нм, обеспечивающий стабильную работу даже в условиях внешней засветки. Электрическая часть построена на выходе NPN (Light on), поддерживает ток нагрузки до 100 мА и защищена от коротких замыканий и переполюсовки. Степень защиты IP40 указывает на то, что PTJ-T80PO-I ориентирован на применение в защищенных от пыли и влаги помещениях. Прекрасный выбор для задач с точной фиксацией предметов на производстве.





